4.1: Design a combinational circuit with three input and one output. The output is equal to logic 1 when the binary value of the input is less than 3. The output is logic 0 otherwise.
Solution:
|
A |
B |
C |
Y |
|
0 |
0 |
0 |
1 |
|
0 |
0 |
1 |
1 |
|
0 |
1 |
0 |
1 |
|
0 |
1 |
1 |
0 |
|
1 |
0 |
0 |
0 |
|
1 |
0 |
1 |
0 |
|
1 |
1 |
0 |
0 |
|
1 |
1 |
1 |
0 |
Y=A'C'+A'B'
4.2: Design a combinational circuit with three inputs x, y and z and three outputs A, B, C. When the binary input is 0,1,2 or 3, the binary output is one greater than the input. When the binary input is 4,5,6,7 the binary output is one less than the input.
Solution:
|
x |
y |
z |
A |
B |
C |
|
0 |
0 |
0 |
0 |
0 |
1 |
|
0 |
0 |
1 |
0 |
1 |
0 |
|
0 |
1 |
0 |
0 |
1 |
1 |
|
0 |
1 |
1 |
1 |
0 |
0 |
|
1 |
0 |
0 |
0 |
1 |
1 |
|
1 |
0 |
1 |
1 |
0 |
0 |
|
1 |
1 |
0 |
1 |
0 |
1 |
|
1 |
1 |
1 |
1 |
1 |
0 |
K map for A
A=xz + yz + xy
K map for B
B=xy'z'+x'y'z+x'yz'+xyz
K map for C
C=z
4.3: A majority function is generated in a combinational circuit when the output is equal to one if the input variable has more 1's than 0's. The output is 0 otherwise. Design a 3 input majority function.
Solution:
|
x |
y |
z |
O |
|
0 |
0 |
0 |
0 |
|
0 |
0 |
1 |
0 |
|
0 |
1 |
0 |
0 |
|
0 |
1 |
1 |
1 |
|
1 |
0 |
0 |
0 |
|
1 |
0 |
1 |
1 |
|
1 |
1 |
0 |
1 |
|
1 |
1 |
1 |
1 |
|
A3 |
A2 |
A1 |
A0 |
S4 |
S3 |
S2 |
S1 |
S0 |
|
0 |
0 |
0 |
0 |
0 |
0 |
0 |
0 |
1 |
|
0 |
0 |
0 |
1 |
0 |
0 |
0 |
1 |
0 |
|
0 |
0 |
1 |
0 |
0 |
0 |
0 |
1 |
1 |
|
0 |
0 |
1 |
1 |
0 |
0 |
1 |
0 |
0 |
|
0 |
1 |
0 |
0 |
0 |
0 |
1 |
0 |
1 |
|
0 |
1 |
0 |
1 |
0 |
0 |
1 |
1 |
0 |
|
0 |
1 |
1 |
0 |
0 |
0 |
1 |
1 |
1 |
|
0 |
1 |
1 |
1 |
0 |
1 |
0 |
0 |
0 |
|
1 |
0 |
0 |
0 |
0 |
1 |
0 |
0 |
1 |
|
1 |
0 |
0 |
1 |
0 |
1 |
0 |
1 |
0 |
|
1 |
0 |
1 |
0 |
0 |
1 |
0 |
1 |
1 |
|
1 |
0 |
1 |
1 |
0 |
1 |
1 |
0 |
0 |
|
1 |
1 |
0 |
0 |
0 |
1 |
1 |
0 |
1 |
|
1 |
1 |
0 |
1 |
0 |
1 |
1 |
1 |
0 |
|
1 |
1 |
1 |
0 |
0 |
1 |
1 |
1 |
1 |
|
1 |
1 |
1 |
1 |
1 |
0 |
0 |
0 |
1 |
|
X1 |
X0 |
Y1 |
Y0 |
C |
S1 |
S0 |
|
0 |
0 |
0 |
0 |
0 |
0 |
0 |
|
0 |
0 |
0 |
1 |
0 |
0 |
1 |
|
0 |
0 |
1 |
0 |
0 |
1 |
0 |
|
0 |
0 |
1 |
1 |
0 |
1 |
1 |
|
0 |
1 |
0 |
0 |
0 |
0 |
1 |
|
0 |
1 |
0 |
1 |
0 |
1 |
0 |
|
0 |
1 |
1 |
0 |
0 |
1 |
1 |
|
0 |
1 |
1 |
1 |
1 |
0 |
0 |
|
1 |
0 |
0 |
0 |
0 |
1 |
0 |
|
1 |
0 |
0 |
1 |
0 |
1 |
1 |
|
1 |
0 |
1 |
0 |
1 |
0 |
0 |
|
1 |
0 |
1 |
1 |
1 |
0 |
1 |
|
1 |
1 |
0 |
0 |
0 |
1 |
1 |
|
1 |
1 |
0 |
1 |
1 |
0 |
0 |
|
1 |
1 |
1 |
0 |
1 |
0 |
1 |
|
1 |
1 |
1 |
1 |
1 |
1 |
0 |
|
x |
y |
z |
A |
B |
C |
D |
E |
F |
|
0 |
0 |
0 |
0 |
0 |
0 |
0 |
0 |
0 |
|
0 |
0 |
1 |
0 |
0 |
0 |
0 |
0 |
1 |
|
0 |
1 |
0 |
0 |
0 |
0 |
1 |
0 |
0 |
|
0 |
1 |
1 |
0 |
0 |
1 |
0 |
0 |
1 |
|
1 |
0 |
0 |
0 |
1 |
0 |
0 |
0 |
0 |
|
1 |
0 |
1 |
0 |
1 |
1 |
0 |
0 |
1 |
|
1 |
1 |
0 |
1 |
0 |
0 |
1 |
0 |
0 |
|
1 |
1 |
1 |
1 |
1 |
0 |
0 |
0 |
1 |
4.10: Design a combinational circuit with 4 inputs and that represent a decimal digit in BCD and 4 outputs that produce the 9's complement of the input digit. The six unused combinations can be treated as don't care conditions.
|
A |
B |
C |
D |
w |
x |
y |
z |
|
0 |
0 |
0 |
0 |
1 |
0 |
0 |
1 |
|
0 |
0 |
0 |
1 |
1 |
0 |
0 |
0 |
|
0 |
0 |
1 |
0 |
0 |
1 |
1 |
1 |
|
0 |
0 |
1 |
1 |
0 |
1 |
1 |
0 |
|
0 |
1 |
0 |
0 |
0 |
1 |
0 |
1 |
|
0 |
1 |
0 |
1 |
0 |
1 |
0 |
0 |
|
0 |
1 |
1 |
0 |
0 |
0 |
1 |
1 |
|
0 |
1 |
1 |
1 |
0 |
0 |
1 |
0 |
|
1 |
0 |
0 |
0 |
0 |
0 |
0 |
1 |
|
1 |
0 |
0 |
1 |
0 |
0 |
0 |
0 |
w=A'B'C'
K MAP FOR x
x=BC'+B'C
K MAP FOR y
y=C
K MAP FOR z
z=D'
4.11: Design a combinational circuit with four inputs and four outputs. The output generates the 2's complement of the input binary number.
Solution:
|
A |
B |
C |
D |
w |
x |
y |
z |
|
0 |
0 |
0 |
0 |
0 |
0 |
0 |
0 |
|
0 |
0 |
0 |
1 |
1 |
1 |
1 |
1 |
|
0 |
0 |
1 |
0 |
1 |
1 |
1 |
0 |
|
0 |
0 |
1 |
1 |
1 |
1 |
0 |
1 |
|
0 |
1 |
0 |
0 |
1 |
1 |
0 |
0 |
|
0 |
1 |
0 |
1 |
1 |
0 |
1 |
1 |
|
0 |
1 |
1 |
0 |
1 |
0 |
1 |
0 |
|
0 |
1 |
1 |
1 |
1 |
0 |
0 |
1 |
|
1 |
0 |
0 |
0 |
1 |
0 |
0 |
0 |
|
1 |
0 |
0 |
1 |
0 |
1 |
1 |
1 |
|
1 |
0 |
1 |
0 |
0 |
1 |
1 |
0 |
|
1 |
0 |
1 |
1 |
0 |
1 |
0 |
1 |
|
1 |
1 |
0 |
0 |
0 |
1 |
0 |
0 |
|
1 |
1 |
0 |
1 |
0 |
0 |
1 |
1 |
|
1 |
1 |
1 |
0 |
0 |
0 |
1 |
0 |
|
1 |
1 |
1 |
1 |
0 |
0 |
0 |
1 |
K MAP FOR w
w=A'B+A'D+A'C+AB'C'D'
k map for x
x=B'D+B'C+BC'D'
K MAP FOY y
y=C'D+CD'
K MAP FOR z
z=D
4.12: Design a combinational circuit that detects an error in the representation of a decimal digit in BCD. The output of the circuit must be equal to logic 1 when the input contains any one of the unused six bit combination in the BCD code.
Solution:
|
A |
B |
C |
D |
Y |
|
0 |
0 |
0 |
0 |
0 |
|
0 |
0 |
0 |
1 |
0 |
|
0 |
0 |
1 |
0 |
0 |
|
0 |
0 |
1 |
1 |
0 |
|
0 |
1 |
0 |
0 |
0 |
|
0 |
1 |
0 |
1 |
0 |
|
0 |
1 |
1 |
0 |
0 |
|
0 |
1 |
1 |
1 |
0 |
|
1 |
0 |
0 |
0 |
0 |
|
1 |
0 |
0 |
1 |
0 |
|
1 |
0 |
1 |
0 |
1 |
|
1 |
0 |
1 |
1 |
1 |
|
1 |
1 |
0 |
0 |
1 |
|
1 |
1 |
0 |
1 |
1 |
|
1 |
1 |
1 |
0 |
1 |
|
1 |
1 |
1 |
1 |
1 |
|
A |
B |
C |
D |
w |
x |
y |
z |
|
0 |
0 |
0 |
0 |
0 |
0 |
0 |
0 |
|
0 |
1 |
1 |
1 |
0 |
0 |
0 |
1 |
|
0 |
1 |
1 |
0 |
0 |
0 |
1 |
0 |
|
0 |
1 |
0 |
1 |
0 |
0 |
1 |
1 |
|
0 |
1 |
0 |
0 |
0 |
1 |
0 |
0 |
|
1 |
0 |
1 |
1 |
0 |
1 |
0 |
1 |
|
1 |
0 |
1 |
0 |
0 |
1 |
1 |
0 |
|
1 |
0 |
0 |
1 |
0 |
1 |
1 |
1 |
|
1 |
0 |
0 |
0 |
1 |
0 |
0 |
0 |
|
1 |
1 |
1 |
1 |
1 |
0 |
0 |
1 |
w=AB+AC'D'
K MAP FOR x
x=B'D+B'C+BC'D'
K MAP FOR y
y=C'D+CD'
K MAP FOR z
z=D
4.14: Design a combinational circuit that converts decimal digit from the 2421 code to the 84-2-1 code.
Solution:
| w |
x |
y |
z |
A |
B |
C |
D |
|
0 |
0 |
0 |
0 |
0 |
0 |
0 |
0 |
|
0 |
0 |
0 |
1 |
0 |
1 |
1 |
1 |
|
0 |
0 |
1 |
0 |
0 |
1 |
1 |
0 |
|
0 |
0 |
1 |
1 |
0 |
1 |
0 |
1 |
|
0 |
1 |
0 |
0 |
0 |
1 |
0 |
0 |
|
0 |
1 |
0 |
1 |
X |
X |
X |
X |
|
0 |
1 |
1 |
0 |
X |
X |
X |
X |
|
0 |
1 |
1 |
1 |
X |
X |
X |
X |
|
1 |
0 |
0 |
0 |
X |
X |
X |
X |
|
1 |
0 |
0 |
1 |
X |
X |
X |
X |
|
1 |
0 |
1 |
0 |
X |
X |
X |
X |
|
1 |
0 |
1 |
1 |
1 |
0 |
1 |
1 |
|
1 |
1 |
0 |
0 |
1 |
0 |
1 |
0 |
|
1 |
1 |
0 |
1 |
1 |
0 |
0 |
1 |
|
1 |
1 |
1 |
0 |
1 |
0 |
0 |
0 |
|
1 |
1 |
1 |
1 |
1 |
1 |
1 |
1 |
K MAP FOR A
|
w |
x |
y |
z |
A |
B |
C |
D |
E |
|
0 |
0 |
0 |
0 |
0 |
0 |
0 |
0 |
0 |
|
0 |
0 |
0 |
1 |
0 |
0 |
0 |
0 |
1 |
|
0 |
0 |
1 |
0 |
0 |
0 |
0 |
1 |
0 |
|
0 |
0 |
1 |
1 |
0 |
0 |
0 |
1 |
1 |
|
0 |
1 |
0 |
0 |
0 |
0 |
1 |
0 |
0 |
|
0 |
1 |
0 |
1 |
0 |
0 |
1 |
0 |
1 |
|
0 |
1 |
1 |
0 |
0 |
0 |
1 |
1 |
0 |
|
0 |
1 |
1 |
1 |
0 |
0 |
1 |
1 |
1 |
|
1 |
0 |
0 |
0 |
0 |
1 |
0 |
0 |
0 |
|
1 |
0 |
0 |
1 |
0 |
1 |
0 |
0 |
1 |
|
1 |
0 |
1 |
0 |
1 |
0 |
0 |
0 |
0 |
|
1 |
0 |
1 |
1 |
1 |
0 |
0 |
0 |
1 |
|
1 |
1 |
0 |
0 |
1 |
0 |
0 |
1 |
0 |
|
1 |
1 |
0 |
1 |
1 |
0 |
0 |
1 |
1 |
|
1 |
1 |
1 |
0 |
1 |
0 |
1 |
0 |
0 |
|
1 |
1 |
1 |
1 |
1 |
0 |
1 |
0 |
1 |
|
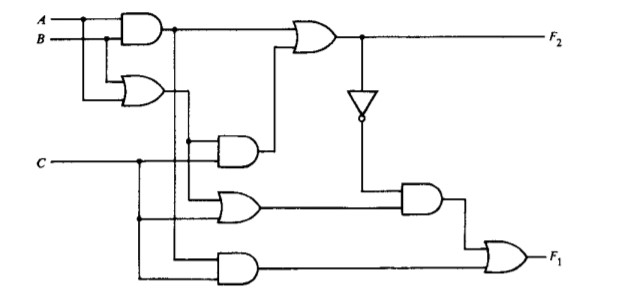
A |
B |
C |
F2 |
F1 |
|
0 |
0 |
0 |
0 |
0 |
|
0 |
0 |
1 |
0 |
1 |
|
0 |
1 |
0 |
0 |
1 |
|
0 |
1 |
1 |
1 |
0 |
|
1 |
0 |
0 |
0 |
1 |
|
1 |
0 |
1 |
1 |
0 |
|
1 |
1 |
0 |
1 |
0 |
|
1 |
1 |
1 |
1 |
1 |
4:20 is same as 4:19
|
x |
y |
z |
A |
B |
C |
|
0 |
0 |
0 |
1 |
0 |
0 |
|
0 |
0 |
1 |
1 |
0 |
1 |
|
0 |
1 |
0 |
1 |
1 |
0 |
|
0 |
1 |
1 |
1 |
1 |
1 |
|
1 |
0 |
0 |
X |
X |
X |
|
1 |
0 |
1 |
X |
X |
X |
|
1 |
1 |
0 |
X |
X |
X |
|
1 |
1 |
1 |
X |
X |
X |
C=z

















































1 Comments
Helped me a lot. Thanks
ReplyDelete